ECE1390 RF L5 - Low Noise Amplifier-1760591148546.png

  • low noise helps overcome trade-off between impedance-matching and NF

1 Matching

  • external matching can save significant amount of power by the following

1.1 Passive Amplification

ECE1390 RF L5 - Low Noise Amplifier-1760590668857.png

  • scales voltage and current at input of LNA (RF amplification)
  • filters out-of-band blockers
  • reduces noise for rest of RX chain

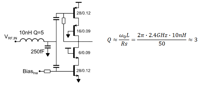
1.2 Biasing for Low Voltage Operation

ECE1390 RF L5 - Low Noise Amplifier-1760590966941.png

  • (left) - requires current source, and large for low noise
  • (right) - inductor of matching networks biases common gate

2 Low Power Current-Mode LNA

  • suitable for low cost and power applications since it avoids resonant load and can share bias current with other blocks

ECE1390 RF L5 - Low Noise Amplifier-1760593985882.png

2.1 Feedback or Feedforward

ECE1390 RF L5 - Low Noise Amplifier-1760592881729.png

  • synthesizes and Input Impedance () with less than noise
  • FB requires RF voltage gain

2.2 NF with explicit termination

ECE1390 RF L5 - Low Noise Amplifier-1760593399138.png

  • min noise figure is 3dB

2.3 Common Source with L-Matching Network

ECE1390 RF L5 - Low Noise Amplifier-1760593557121.png

  • noise greater than 3dB but gain boosting proportional to quality factor

2.4 Current-Reuse

ECE1390 RF L5 - Low Noise Amplifier-1760591255385.png

  • halves bias current for a given

ECE1390 RF L5 - Low Noise Amplifier-1760593684313.png

2.5 Inductive Degenerated Amplifier

ECE1390 RF L5 - Low Noise Amplifier-1760593716400.png

  • noise lower than 3dB and passive amplification

2.6 Common Gate Amplifier

ECE1390 RF L5 - Low Noise Amplifier-1760593777613.png

  • modest NF without feedback or feedforward
  • wideband but with poor transconductance gain

ECE1390 RF L5 - Low Noise Amplifier-1760593835428.png

  • feedforward reduces noise of transistor by factor of

2.7 Noise Cancelling

ECE1390 RF L5 - Low Noise Amplifier-1760593925253.png

  • low NF
  • comparable to inductive degeneration with Q of 1
  • high power

3 Quadrature LNA

ECE1390 RF L5 - Low Noise Amplifier-1760594010420.png

  • capacitive degenerated
  • good quadrature accuracy and modest gain mismatch for narrowband

ECE1390 RF L5 - Low Noise Amplifier-1760594084926.png

  • CG-CS
  • high transistors needed for good quadrature accuracy