RX Architectures
Zero/Low IF Architecture
- RF signal gets down-converted to around DC
- image rejected in digital domain
FSK Signals
- simple limiter for ADC can be used if wave crosses zero
once per symbol - only possible with low FSK modulation index and low IF
Ultra Low Power
- Zero IF is better for image rejection compared to Low IF, but it requires more power.
- Zero IF is more sensitive to flicker-noise/DC-offsets, harder to demodulate
- LO consumes most power in receiver
Low IF Architecture with Complex Filter
- Complex Filters have asymmetric frequency response around zero
- limits possible image rejection but 90
shift is not required - can be shifted symmetrically around DC with sign inversion, allows two IF channel (symmetrical around LO) selection
Quadrature on RF Path
- reduces the power consumption from local oscillator by half
- increase losses on RF path and reduces quadrature accuracy
Sliding IF Architecture
- image can be rejected by SAW filter with a low frequency for first mixer
- much lower LO power consumption and front-end complexity
,- larger tuning range required compared to a low-IF scheme
- image rejection is limited by the pass-band filter
Injection Locking Architecture
- RF input locks VCO, VCO must be LC
- relies on amplitude variation of VCO when locked outside peak resonance
- very low complexity
- only useful for phase modulated signals and sensitive to close blockers
Subsampling Architecture
- reduces power consumption and complexity of LO
- requires high-q pass band filter
Mixer First Architecture
- no LNA required but TIA will consume more power
- LO leakage is a concern when LNA and mixer are not isolated
- quadrature generation relies on LO
TX Architectures
Direct-Up Architecture
- similar to Zero-IF RX
Polar Architecture
- avoids up-conversion mixer by using decomposed mag. and phase signal
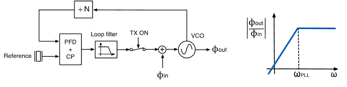
Open Loop Modulation
- PLL suppresses modulating signal and VCO phase-noise within
- open the loop during transmission to limit power consumption from settling time
Two Point Modulation
- relaxes trade off between
and modulating signal - requires calibration scheme
Direct Modulation
- simple PLL can be used with constant envelop signal
Linearization with Non-Linear Component (LINC)
- more efficient than linear amplifiers but require constant envelop signals












