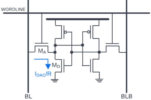
- Two latches at the center hold the internal state
- Write is performed by driving BL/BLB and WL high
- Read is performed by driving WL high and comparing BLs
- Read should not destroy the stored information
https://github.com/gautam19499/6T-SRAM_cell_design
